Référence : 66.091.12121212
Caractéristiques
Orientation raccord BSP | Coudé à 90° |
---|---|
Type de raccord BSP | Té égal Mâle BSP |
Implantation BSP x ? | BSP x BSP |
Matière Raccord | Inox |
[num] | 327 |
Fiche technique
Pression de service (bar) | 315 |
---|---|
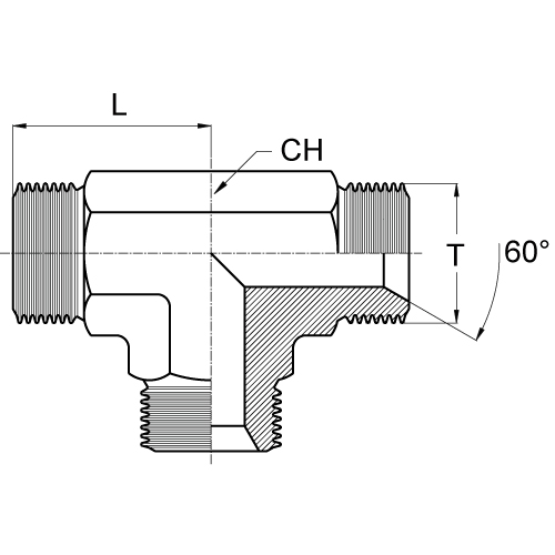
CH | 27 |
FILETAGE T | 3/4” |
SOUS FAMILLE | RACCORDS ET ADAPTEURS INOX BSP - BSI 5200 - Iso 8434-6 |
L | 41 |
Désignation commune | Té égal Mâle BSP inox |
Référence | 66.091.12121212 |
Désignation | Té égal Mâle BSP 3/4" inox |
